HD74HC157/HD74HC158
Quad. 2-to-1-line Data Selectors/Multiplexers
(with noninverted outputs)
Quad. 2-to-1-line Data Selectors/Multiplexers
(with inverted outputs)
Description
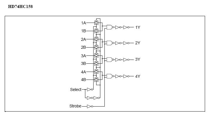
These devices each consist of four 2-input digital multiplexers with common select and strobe inputs. On the HD74HC157, when the strobe input is at logical “L” the four outputs assume the values as selected from the inputs. When the strobe input is at a logical “H” the outputs assume logical “L”. The HD74HC158 operates in the same manner, except that its outputs are inverted. Select decoding is done internally resulting in a single select input only. If enabled, the select input determines whether the A or B inputs get routed to their corresponding Y outputs.
Features
Function Table



Ordering Information
|
Part Name |
Package Type |
Package Code (Previous Code) |
Package Abbreviation |
Taping Abbreviation (Quantity) |
|
HD74HC157P HD74HC158P |
DILP-16 pin |
PRDP0016AE-B (DP-16FV) |
P |
— |
|
HD74HC157FPEL HD74HC158FPEL |
SOP-16 pin (JEITA) |
PRSP0016DH-B (FP-16DAV) |
FP |
EL (2,000 pcs/reel) |
|
HD74HC158RPEL |
SOP-16 pin (JEDEC) |
PRSP0016DG-A (FP-16DNV) |
RP |
EL (2,500 pcs/reel) |
|
HD74HC157TELL |
TSSOP-16 pin |
PTSP0016JB-A (TTP-16DAV) |
T |
ELL (2,000 pcs/reel) |
Function Table
|
Inputs |
Output Y | ||||
|
Strobe |
Select |
A |
B |
HC157 |
HC158 |
|
H |
X |
X |
X |
L |
H |
|
L |
L |
L |
X |
L |
H |
|
L |
L |
H |
X |
H |
L |
|
L |
H |
X |
L |
L |
H |
|
L |
H |
X |
H |
H |
L |
Absolute Maximum Ratings
|
Item |
Symbol |
Rating |
Unit |
|
Supply voltage range |
VCC |
–0.5 to +7.0 |
V |
|
Input voltage |
VIN |
–0.5 to VCC + 0.5 |
V |
|
Output voltage |
VOUT |
–0.5 to VCC + 0.5 |
V |
|
Output current |
IOUT |
±25 |
mA |
|
DC current drain per VCC, GND |
ICC, IGND |
±50 |
mA |
|
DC input diode current |
IIK |
±20 |
mA |
|
DC output diode current |
IOK |
±20 |
mA |
|
Power dissipation per package |
PT |
500 |
mW |
|
Storage temperature |
Tstg |
–65 to +150 |
°C |