Features
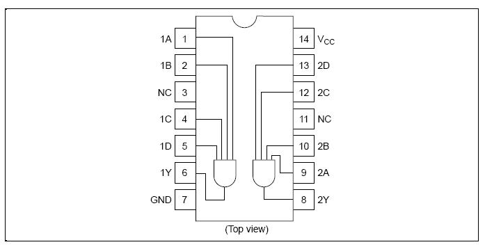
Pin Arrangement

Ordering Information
|
Part Name |
Package Type |
Package Code (Previous Code) |
Package Abbreviation |
Taping Abbreviation (Quantity) |
|
HD74HC21P |
DILP-14 pin |
PRDP0014AB-B (DP-14AV) |
P |
— |
|
HD74HC21FPEL |
SOP-14 pin (JEITA) |
PRSP0014DF-B (FP-14DAV) |
FP |
EL (2,000 pcs/reel) |
|
HD74HC21RPEL |
SOP-14 pin (JEDEC) |
PRSP0014DE-A (FP-14DNV) |
RP |
EL (2,500 pcs/reel) |
|
HD74HC21TELL |
TSSOP-14 pin |
PTSP0014JA-B (TTP-14DV) |
T |
ELL (2,000 pcs/reel) |
Absolute Maximum Ratings
|
Item |
Symbol |
Ratings |
Unit |
|
Supply voltage range |
VCC |
–0.5 to 7.0 |
V |
|
Input / Output voltage |
Vin, Vout |
–0.5 to VCC +0.5 |
V |
|
Input / Output diode current |
IIK, IOK |
±20 |
mA |
|
Output current |
IO |
±25 |
mA |
|
VCC, GND current |
ICC or IGND |
±50 |
mA |
|
Power dissipation |
PT |
500 |
mW |
|
Storage temperature |
Tstg |
–65 to +150 |
°C |