Features
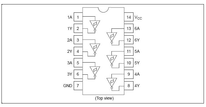
Pin Arrangement

Ordering Information
|
Part Name |
Package Type |
Package Code (Previous Code) |
Package Abbreviation |
Taping Abbreviation (Quantity) |
|
HD74HC14P |
DILP-14 pin |
PRDP0014AB-B (DP-14AV) |
P |
― |
|
HD74HC14FPEL |
SOP-14 pin (JEITA) |
PRSP0014DF-B (FP-14DAV) |
FP |
EL (2,000 pcs/reel) |
|
HD74HC14RPEL |
SOP-14 pin (JEDEC) |
PRSP0014DE-A (FP-14DNV) |
RP |
EL (2,500 pcs/reel) |
|
HD74HC14TELL |
TSSOP-14 pin |
PTSP0014JA-B (TTP-14DV) |
T |
ELL (2,000 pcs/reel) |
Function Table
Input Output A Y L H H L