Features
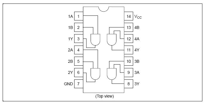
Pin Arrangement

Ordering Information
|
Part Name |
Package Type |
Package Code (Previous Code) |
Package Abbreviation |
Taping Abbreviation (Quantity) |
|
HD74HC08P |
DILP-14 pin |
PRDP0014AB-B (DP-14AV) |
P |
— |
|
HD74HC08FPEL |
SOP-14 pin (JEITA) |
PRSP0014DF-B (FP-14DAV) |
FP |
EL (2,000 pcs/reel) |
|
HD74HC08RPEL |
SOP-14 pin (JEDEC) |
PRSP0014DE-A (FP-14DNV) |
RP |
EL (2,500 pcs/reel) |
|
HD74HC08TELL |
TSSOP-14 pin |
PTSP0014JA-B (TTP-14DV) |
T |
ELL (2,000 pcs/reel) |
Functiong Table
|
Inputs |
Output | |
|
A |
B |
Y |
|
L |
L |
L |
|
L |
H |
L |
|
H |
L |
L |
|
H |
H |
H |
Absolute Maximum Ratings
Item Symbol Ratings Unit Supply voltage range VCC –0.5 to 7.0 V Input / Output voltage Vin, Vout –0.5 to VCC +0.5 V Input / Output diode current IIK, IOK ±20 mA Output current IO ±25 mA VCC, GND current ICC or IGND ±50 mA Power dissipation PT 500 mW Storage temperature Tstg –65 to +150 °C