Features
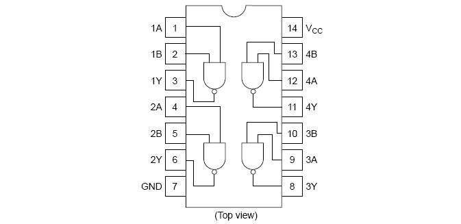
Pin Arrangement

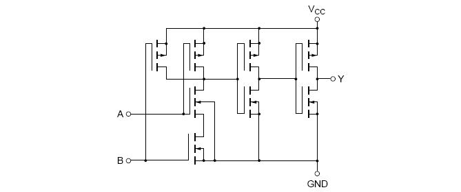
Circuit Schematic (1/4)

Ordering Information
Part Name Package Type Package Code (Previous Code) Package Abbreviation Taping Abbreviation (Quantity) HD74HC00P DILP-14 pin PRDP0014AB-B (DP-14AV) P ― HD74HC00FPEL SOP-14 pin (JEITA) PRSP0014DF-B (FP-14DAV) FP EL (2,000 pcs/reel) HD74HC00RPEL SOP-14 pin (JEDEC) PRSP0014DE-A (FP-14DNV) RP EL (2,500 pcs/reel) HD74HC00TELL TSSOP-14 pin PTSP0014JA-B (TTP-14DV) T ELL (2,000 pcs/reel)