HD74LS244
Octal Buffers/Line Drivers/Line Receivers(non inverted three-state outputs)
Ordering Information
|
Part Name |
Package Type |
Package Code (Previous Code) |
Package Abbreviation |
Taping Abbreviation (Quantity) |
|
HD74LS244P |
DILP-20 pin |
PRDP (DP-20NEV) |
P |
— |
|
HD74LS244FPEL |
SOP-20 pin (JEITA) |
PRSP0020DD-B (FP-20DAV) |
FP |
EL (2,000 pcs/reel) |
|
HD74LS244RPEL |
SOP-20 pin (JEDEC) |
PRSP0020DC-A (FP-20DBV) |
RP |
EL (1,000 pcs/reel) |
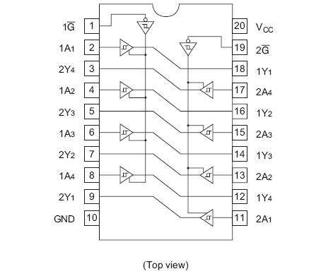
Pin Arrangement

Absolute Maximum Ratings
|
Item |
Symbol |
Ratings |
Unit |
|
Supply voltage |
VCC |
7 |
V |
|
Input voltage |
VIN |
7 |
V |
|
Power dissipation |
PT |
400 |
mW |
|
Storage temperature |
Tstg |
–65 to +150 |
°C |