HD74LS273
Octal D-type Positive-edge-triggered Flip-Flops
The HD74LS273, positive-edge-triggered flip-flops utilize LS TTL circuitry to implement D-type flip-flop logic with a direct clear input. Information at the D inputs meeting the setup time requirements is transferred to the Q outputs on the positive-going edge of the clock pulse.When the clock input is at either the high or low level, the D input signal has no effect at the output.
Ordering Information
|
Part Name |
Package Type |
Package Code (Previous Code) |
Package Abbreviation |
Taping Abbreviation (Quantity) |
|
HD74LS273P |
DILP-20 pin |
PRDP (DP-20NEV) |
P |
— |
|
HD74LS273FPEL |
SOP-20 pin (JEITA) |
PRSP0020DD-B (FP-20DAV) |
FP |
EL (2,000 pcs/reel) |
|
HD74LS273RPEL |
SOP-20 pin (JEDEC) |
PRSP0020DC-A (FP-20DBV) |
RP |
EL (1,000 pcs/reel) |
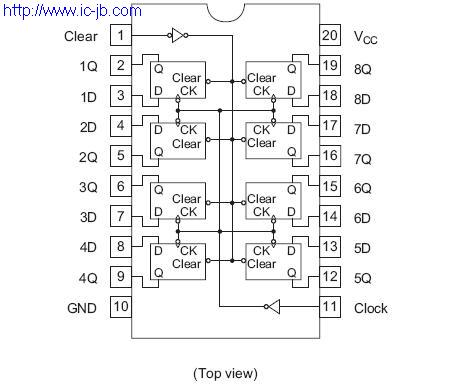
Pin Arrangement

Absolute Maximum Ratings
|
Item |
Symbol |
Ratings |
Unit |
|
Supply voltage |
VCC |
7 |
V |
|
Input voltage |
VIN |
7 |
V |
|
Power dissipation |
PT |
400 |
mW |
|
Storage temperature |
Tstg |
–65 to +150 |
°C |