HD74LS09
Quadruple 2-input positive AND Gates(with open Collector Output)
Ordering Information
|
Part Name |
Package Type |
Package Code (Previous Code) |
Package Abbreviation |
Taping Abbreviation (Quantity) |
|
HD74LS09P |
DILP-14 pin |
PRDP0014AB-B (DP-14AV) |
P |
— |
|
HD74LS09FPEL |
SOP-14 pin (JEITA) |
PRSP0014DF-B (FP-14DAV) |
FP |
EL (2,000 pcs/reel) |
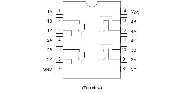
Pin Arrangement

Absolute Maximum Ratings
|
Item |
Symbol |
Ratings |
Unit |
|
Supply voltage |
VCC Note |
7 |
V |
|
Input voltage |
VIN |
7 |
V |
|
Power dissipation |
PT |
400 |
mW |
|
Storage temperature |
Tstg |
–65 to +150 |
°C |