Description
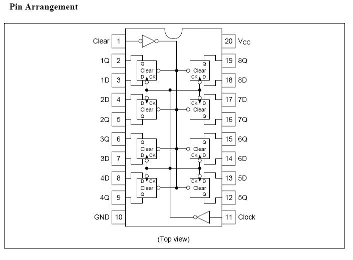
This device contains 8 master-slave flip-flops with a common clock and common clear. Data on the D input having the specified setup and hold times is transferred to the Q output on the low to high transition of the clock input. The clear input when low, sets all outputs to a low state.
Features
Function Table

