HD74LS192
Synchronous Up/Down Decade Counters(dual clock lines)
Synchronous operation is provided by having all flip-flops clocked simultaneously so that the output change
coincidently with each other when so instructed by the steering logic. This mode of operation eliminates the output counting spikes which are normally associated with asynchronous (ripple clock) counters. The outputs of the four master-slave flip-flops are triggered by a low-to-high-level transition of either count (clock) input. The direction of counting is determined by which count input is pulsed while the other count input is high. This counter is fully programmable; that is, each output may be preset to either level by desired data at the data inputs while the load inputs is low. The output will change to agree with the data inputs independently of the count pulses. This feature allows the counters to be used as modulo-N dividers by simply modifying the count length with the preset inputs. A clear input has been provided which forces all outputs to the low level when a high level is applied. The clear function is independent of the count and load inputs. The clear, count, and load inputs are buffered to lower the drive requirements.This reduces the number of clock drivers, etc., required for long words. This counter was designed to be cascaded without the need for external circuitry. Both borrow and carry outputs are available to cascade both the up-and downcounting functions. The borrow output produces a pulse equal in width to the count-down input when the counter underflows. Similarly,
the carry output produces a pulse equal in width to the count up input when an overflow condition exists.
The counters can be easily cascaded by feeding the borrow and carry outputs to the count-down and count-up inputs respectively of .the succeeding counter.
Ordering Information
|
Part Name |
Package Type |
Package Code (Previous Code) |
Package Abbreviation |
Taping Abbreviation (Quantity) |
|
HD74LS192P |
DILP-16 pin |
PRDP0016AE-B (DP-16FV) |
P |
— |
|
HD74LS192FPEL |
SOP-16 pin (JEITA) |
PRSP0016DH-B (FP-16DAV) |
FP |
EL (2,000 pcs/reel) |
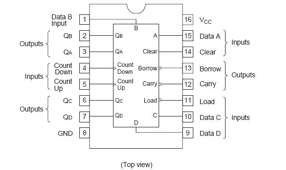
Pin Arrangement

Absolute Maximum Ratings
|
Item |
Symbol |
Ratings |
Unit |
|
Supply voltage |
VCC |
7 |
V |
|
Input voltage |
VIN |
7 |
V |
|
Power dissipation |
PT |
400 |
mW |
|
Storage temperature |
Tstg |
–65 to +150 |
°C |