去询价
加入成功!

产品中心

专业从事电子元器件代理、贸易及相关集成电路研发服务的高新科技公司
选择品牌

HD74LS02

产品:逻辑器件
在线阅读:HD74LS02.pdf

HD74LS02


Quadruple 2-input Positive NOR Gates

产品详情

Ordering Information

 

 

Part Name

 

Package Type

Package Code

(Previous Code)

Package

Abbreviation

Taping Abbreviation

(Quantity)

 

HD74LS02P

 

DILP-14 pin

PRDP0014AB-B

(DP-14AV)

 

P

 

 

HD74LS02FPEL

 

SOP-14 pin (JEITA)

PRSP0014DF-B

(FP-14DAV)

 

FP

 

EL (2,000 pcs/reel)

 

HD74LS02RPEL

 

SOP-14 pin (JEDEC)

PRSP0014DE-A

(FP-14DNV)

 

RP

 

EL (2,500 pcs/reel)

 

 

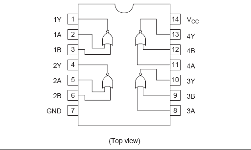
Pin Arrangement

 

 

Absolute Maximum Ratings

 

Item

Symbol

Ratings

Unit

Supply voltage

VCC  Note

7

V

Input voltage

VIN

7

V

Power dissipation

PT

400

mW

Storage temperature

Tstg

–65 to +150

°C

相关产品

HD74LS03
HD74LS04/05
HD74LS01
HD74LS00
晶贝电子logo

去选择您需求的产品加入询盘篮,在线提交。我们会尽快回复您的需求。

产品中心库存查询
手移动设备扫一扫访问 移动设备扫一扫访问