HD74LS374
Octal D-type Edge-triggered Flip-Flops(with three-state outouts)
The HD74LS374, 8-bit register features totem-pole three-state outputs designed specifically for driving highlycapacitive or relatively low-impedance loads. The high-impedance third state and increased high-logic-level drive provide this register with the capability of being connected directly to and driving the bus lines in a bus-organized system without need for interface or pull-up components. They are particularly attractive for implementing buffer registers, I/O ports, bidirectional bus drivers, and working registers. The eight flip-flops are edge-triggered D-type flipflops. On the positive transition the clock, the Q outputs will be set to the logic states that ware setup at the D inputs.
Ordering Information
|
Part Name |
Package Type |
Package Code (Previous Code) |
Package Abbreviation |
Taping Abbreviation (Quantity) |
|
HD74LS374P |
DILP-20 pin |
PRDP0020AC-B (DP-20NEV) |
P |
— |
|
HD74LS374FPEL |
SOP-20 pin (JEITA) |
PRSP0020DD-B (FP-20DAV) |
FP |
EL (2,000 pcs/reel) |
|
HD74LS374RPEL |
SOP-20 pin (JEDEC) |
PRSP0020DC-A (FP-20DBV) |
RP |
EL (1,000 pcs/reel) |
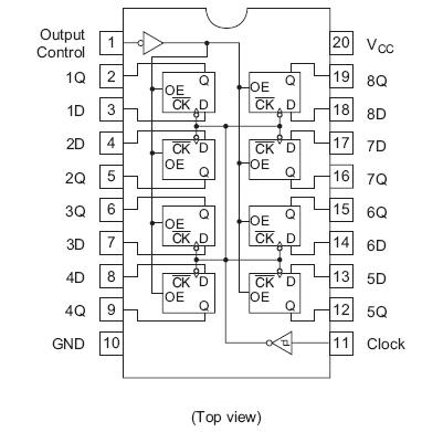
Pin Arrangement

Absolute Maximum Ratings
|
Item |
Symbol |
Ratings |
Unit |
|
Supply voltage |
VCC |
7 |
V |
|
Input voltage |
VIN |
7 |
V |
|
Power dissipation |
PT |
400 |
mW |
|
Storage temperature |
Tstg |
–65 to +150 |
°C |